|
![]() |
||||||||
|
1986'DAN BERİ METAL DEDEKTÖRÜ ÜRETİMİNDE TÜRKİYE'NİN LİDER KURULUŞU |
|||||||||
|
|
ELSAN ELEKTRONİK SANAYİİ |
|
|
|
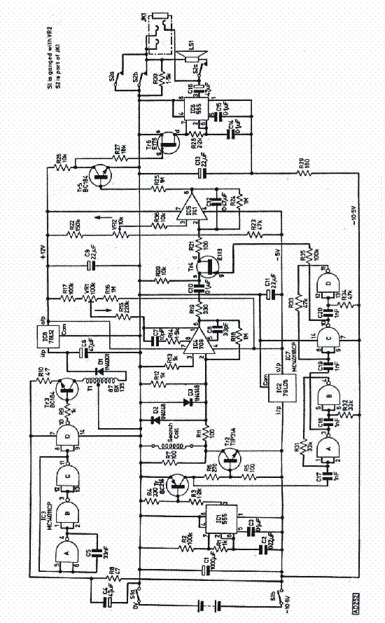
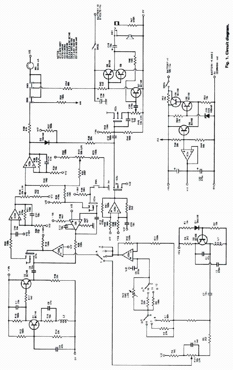
Metal dedektörlerinin çalışma prensipleri ve elektronik devre şemaları. Metal dedektörleri elektromanyetik dalgalar gönderme ve alma genel prensibine göre çalışırlar. Gönderilen elektromanyetik dalga rastladığı metal cisim üzerinde "eddy currents" veya "faraday akımları" denen bir akım endükler. Bu endüklenen akım dedektördeki bobine tesir ederek bir takım küçük sinyal değişmelerine sebep olur. Bu küçük sinyaller elektronik devrelerde kuvvetlendirilerek ses sinyali oluşması için hoparlöre gönderilir. Bazı dedektörlerde ibreli veya dijital sinyal ölçme devreleri de vardır. Bir çok metal dedektörü tipi vardır. Burada 4 tip dedektörden bahsedilecektir. 1- BFO (Beat Frequency Oscilator - Vuru Frekansı Osilatörü) tipi dedektör. Dedektörün arama başlığında bir tek bobin vardır. Bu osilatör bobinidir. Bu bobin metale yaklaştığında, osilasyon frekansı değişir. Bu değişen frekans, elektronik devrede çalışan ikinci bir osilatörün sabit frekansıyla karşılaştırılır. Aradaki frekans farkı ses sinyali olarak hoparlörden duyulur. Bu tip metal dedektörüne iki örnek veriyoruz. Şemaları görmek için aşağıdaki satırları tıklayınız: BFO1: 2 transistor ve 1 entegreli metal dedektörü şeması BFO2: 7 transistorlu metal dedektörü şeması 2- Sinyal genliğine duyarlı dedektör: Arama başlığında iki bobin vardır, biri osilatör bobinidir. Bu bobin verici olarak çalışır ve etrafa elektromanyetik dalga gönderir. Diğer bobin alıcı bobinidir. Bu bobin arama başlığının içine, etrafta metal bulunmadığı zaman en küçük sinyale haiz olacak şekilde yerleştirilir. Arama başlığına bir metal yaklaştığında arama başlığındaki alıcı bobindeki sinyalin genliği büyümeye başlar. Bu büyüyen sinyal, ses sinyali olarak hoparlörden duyulur. Bu tip metal dedektörüne dört örnek veriyoruz. Şemaları görmek için aşağıdaki satırları tıklayınız: GD1: 3 transistor ve 6 entegreli metal dedektörü şeması. GD2: 6 transistor ve 1 entegreli metal dedektörü şeması. GD3: 6 transistor ve 2 entegreli metal dedektörü şeması. GD4: 13 transistor ve 4 entegreli metal dedektörü şeması. 3- Sinyal fazına duyarlı dedektör: Arama başlığında iki bobin vardır, biri osilatör bobinidir. Bu bobin verici olarak çalışır ve etrafa elektromanyetik dalga gönderir. Diğer bobin alıcı bobinidir. Bu bobin arama başlığının içine, etrafta metal bulunmadığı zaman en küçük sinyale haiz olacak şekilde yerleştirilir. Arama başlığına bir metal yaklaştığında arama başlığındaki alıcı bobindeki sinyalin fazı osilatör sinyaline göre değişmeye başlar. Bu değişen sinyal, ses sinyali olarak hoparlörden duyulur. Bu tip metal dedektörüne bir örnek veriyoruz. Şemaları görmek için aşağıdaki satırları tıklayınız: FD1: 9 transistor ve 5 entegreli metal dedektörü şeması. 4- Pulse Induction (Darbe endüksiyon) tipi dedektör: Arama başlığında genelde bir bobin vardır. Bu bobine çok kısa bir süre içinde çok yüksek akımlı bir darbe verilir. Çok kısa bir süre için etrafta yüksek bir manyetik alan yaratılır. Darbe bittikten sonra bobin alıcı devreye bağlanır ve gönderilen darbenin etkilerini dinlemeye geçer. Gelen etkiler değerlendirilir. Etrafta metal varsa bu etkiler yüksektir, bunlar ses sinyali olarak hoparlörden duyulur. Bu tip metal dedektörüne iki örnek veriyoruz. Şemaları görmek için aşağıdaki satırları tıklayınız: PI1: 6 transistor ve 8 entegreli metal dedektörü şeması. PI1: 5 transistor ve 5 entegreli metal dedektörü şeması. Bu şemalar eğitim amaçlı verilmiştir. Sadece şema dedektör imal etmek için yeterli değildir. Metal ayırmalı ve derin algılamalı dedektörlerin yapımı tecrübe gerektirir. Nitelikli dedektör profesyonelce çalışan mühendislerin işidir. Elsan Firması amatörce dedektör yapmak isteyenleri destekler. İleride bu sayfalarda, dedektörlerin yapım teknikleri teferruatıyla anlatılacaktır. O zaman dedektör yapmak isteyenler açıklamalarımızı izleyerek kendi cihazlarını yapabileceklerdir.
|
|
ELSAN ELEKTRONİK SANAYİİ Merkez: Molla Gürani Cad. Kilimci Sok. No: 15/B Fındıkzade - Fatih - İSTANBUL Tel: (0212) 523 45 29 - (0212) 523 99 77 Faks: (0212) 631 22 17 Şube: Rami Kışla Cad. Topçular İş Merkezi No: 88 Dahili No: 275 Eyüp - İSTANBUL Tel & Faks: (0212) 544 52 80 Copyright 2007 Elsan Elektronik Sanayii - Turkey e-mail: elsaninfo@mynet.com , elsaninfo@e-kolay.net |
|||||
| ANA SAYFA | FİRMA HAKKINDA | ÜRÜNLERİMİZ | ÖNEMLİ BİLGİLER | HABERLER | E-MAİL VE ADRES |